Лебедка ручная шестеренная пристенная
Лебедка ручная шестеренная пристенная автоматически, благодоря феродо, фиксируется и не дает разматываться канату под нагрузкой. Лебедка может крепится к вертикальной и горизонтальной поверхности.
Гарантия 12 месяцев со дня ввода в эксплуатацию но не более 18 месяцев со дня продажи.
| Модель | HW-500A / GR500 | HW-1000A / GR1000 | HW-2000A |
| Грузоподъёмность, кг | 500 | 1000 | 2000 |
| Канатоёмкость, м | 25 | 25 | 30 |
| Рекомендуемый диаметр каната, ммм | 6 | 9 | 13 |
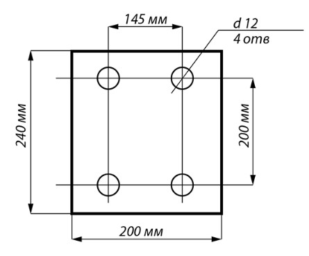
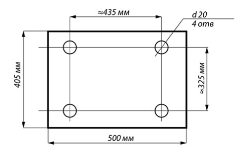
| Габариты, мм ДхШхВ (БЕЗ РУЧКИ) | 200х200х240 | 400х300х310 | 500х405х485 |
| Габариты, мм ДхШхВ (УПАКОВКИ) | 280х290х240 | 520х300х320 | 540х530х360 |
| Размер от основания лебедки до верхнего положения ручки, мм |
320 | 390 | 410 |
| Вес, кг | 22,5 | 38 | 80,5 |
| Температура использования, С | -20 +40 | -20 +40 | -20 +40 |
| HW-500A / GR500 | HW-1000A / GR1000 | HW-2000A | |||
|
|
|

Пристенные лебедки широко используются для выполнения такелажных, погрузочно-разгрузочных работ и других операций. Механизмы предназначены для горизонтального и вертикального перемещения грузов, а также для удержания объектов за счет устройства стопорения. Лебедка приводится в действие вращением рукоятки барабана.
Сферы применения
Ручные грузоподъемные устройства применяются на следующих объектах:
- в автомастерских;
- в сборочных цехах машиностроительных, станкостроительных предприятий;
- на металлургических заводах;
- в шахтах и рудниках;
- в складских терминалах;
- в гаражах;
- в частных хозяйствах и т. д.
Использование лебедок ускоряет и упрощает операции, связанные с перемещением грузов. Отсутствие электрических контактов позволяет использовать механизмы в условиях сильной запыленности воздуха, а также при повышенной влажности, например, в речных и морских портах.
Преимущества
- Автоматическая фиксация каната для предотвращения разматывания под нагрузкой.
- Удобное крепление к горизонтальной и вертикальной плоскости.
- Возможность установки вплотную к стене.
- Повышенная устойчивость к коррозии за счет порошкового окрашивания металлических элементов.
- Широкий температурный диапазон эксплуатации.
- Компактные размеры, мобильность.
- Высокая степень надежности и ремонтопригодности.
- Автономность, возможность эксплуатации в полевых условиях.
- Канатоемкость до 30 м.
Специалисты компании помогут выбрать грузоподъемный механизм для ваших нужд и предложат подходящие канаты. Обратите внимание, что трос не входит в комплектацию.
Для оформления заказа позвоните нам по телефонам +375(17) 510-23-64 или +375 (17) 510-23-65.

стоимость доставки мы включаем в счет на товары!




Лебедка ручная рычажная канатная ЛР (РФ)
Лебедка ручная рычажная
Лебедка ручная рычажная (бытовая)
Таль-лебедка электрическая мобильная 250кг/20-60м (Китай)
Таль-лебедка электрическая мобильная 160 - 500кг (Нидерланды)
Лебедки электрические автомобильные 3,0-4,0т (Китай)






